AFT Fathom Improves Water Cooling System Reliability and Saves $200,000 Annually
AFT Fathom™ Case Study
Flowserve Corporation | Refinery Cooling Water System | Oil & Gas
“With reliability issues, excessive downtime, and repairs
amounting to $126,000, AFT Fathom was used to determine
a new pump configuration that increases reliability and saves
$200,000 a year in energy!”
– Phil Sneeringer, Tier 1 Reliability Engineer
PROBLEM
- Damage to the suction bell of a cooling water pump caused $126,000 in downtime at a refinery
- Decreased reliability from vibration and mechanical failures
ANALYSIS
- AFT Fathom model was calibrated to match their system operation
- Ran scenarios and economic analyses in Fathom to find reliable operation
SOLUTION
- Found only 4 out of the 6 pumps needed to run
- This also ensured each of those pumps was running nearer to BEP
- Saved $200,000 annually in operating costs
Ready to try AFT Fathom?
Problem Explained
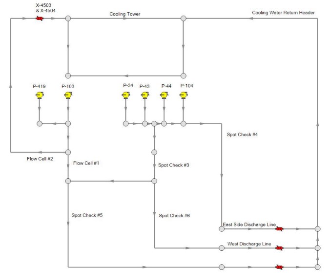
Phil Sneeringer, Tier 1 reliability engineer at Flowserve Corporation, used AFT Fathom to perform a cooling water study at an existing refinery in the Midwest, USA.
The purpose of the study was to identify the most economical scenario to run their cooling water pumps and provide a solution for the excessive erosion at the suction bell of an existing high-performing pump.
Operational confidence in the pump and system reliability had decreased due to equipment downtime which resulted in nine work orders totaling $126,000. Four of those work orders included high vibrations or other substantial mechanical failure.
Tools & Analysis
Sneeringer’s team was asked to monitor the system to determine why pumps were having premature suction bell erosion, and then identify the most economical way to run the cooling tower pump system.
Using wireless technology, flow and pressure data was collected throughout the system. They then used this data to model and analyze the system and tune an AFT Fathom model. Their AFT Fathom model predicted almost exactly what their field data showed. Sneeringer states, “the accuracy achieved was excellent.”
Solutions & Benefits
Based on several AFT Fathom modeled scenarios, Flowserve then presented the refinery with six recommended pump configurations that would provide the required flow and head to remove heat from the units.
By using AFT Fathom, the customer had the required data to change the way they ran their cooling water pumps. They were able to achieve the required cooling at the units while running with 4 pumps instead of 6. This saved them $200,000 per year in operating cost!

